
適用于鋁箔包裝制品:咖啡袋、花生、干制肉品、糖果、巧克力等物料的檢測,應用于食品、藥品、化妝品、保鍵品、化工等行業的金屬異物檢測。物料包裝狀態可是散裝、袋裝、瓶裝、箱裝等形式。
1. 搭載7寸彩色屏,預裝操作幫助菜單,方便人機交換的協同和學習,可根據物料特性進行智能采樣學習功能。
2. 高靈敏度傳感器應用加集成式控制方式,有效解決鋁膜、鋁箔類包裝制品帶磁性金屬異物的檢測能力。
3. 采用32位微處理器,超強數字信號分析和處理,提高了系統的靈敏度、抗干擾性和長時間運行穩定性。
4. 可以通過USB備份數據。
5. 支持軟件升級,方便系統維護。
1. 定制塑料鏈板,減小干擾源,運行平穩,保證整機的檢測靈敏度,拆裝維護更方便。
2. 不銹鋼一體式機架,簡潔美觀,清洗維護更方便。
3. 正反輸送設計,靈活對接包裝產線的匹配要求。
4. 內置高靈敏度傳感器,可有效屏蔽鋁膜包裝制品自帶的信號,準確判定包裝品內磁性金屬異物。
4. 多種不良品的甄選剔除方式可選配應用。
型號 | JW-GL2415 |
識別代號 | GL2415-1-1 |
防護等級 | IP54/IP66 |
速度 | 15-35m/min |
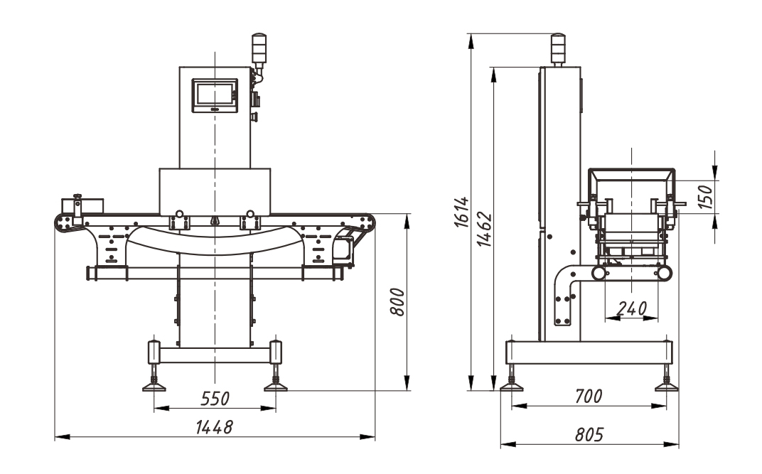
通過尺寸(mm) | 寬度:240mm 高度可調:20-150mm |
檢測靈敏度(mm) | Fe:φ1.5 Sus:φ2.5 |
電源要求 | 220V/180W/50/60Hz/0.8A |
包裝尺寸(mm) | 1570(L)x880(W)x1490(H) |
包裝重量 | 170kg |



