
適用于食品、藥品、調味品、塑料、工藝品、電子等行業的各類輸送物料應用。

1. 可以對接前端重量選別秤、金檢機、X光異物檢測器等包裝產線自動化應用設備,通用性強、適用范圍廣、精度高、穩定性強。
2. 可實現快速分揀能力,選配視覺應用系統,讓定位更精準,抓取更容易,可實現自動分揀、自動碼垛、自動排序智能操作功能。
3. 觸摸屏人機操作界面,多坐標形式調試,可做點動控制、參數設置等,支持示教模式,完成直線、圓弧和空間軌跡運動。
4. 采用示教器示教調試,編程簡單易學,豐富的指令集,能滿足廣泛的應用需求,用戶可進行二次開發。
5. 支持多工位預約。
6. 過載自動停機保護功能。
1. 獨立主體基座,噴涂處理,外觀簡潔美觀、易于安裝和維護。
2. 旋轉主臂采用碳纖維材質,結構更輕巧,性能更穩定。
3. 4軸聯動結構,可實現物料的抓取和旋轉按指定方向動作。
4. 采用伺服控制系統,確保工作應用的精度。
5. 可選配視覺或搭載輸送與整線連體應用,支持輸送段的定制應用,配置靈活。
4. 可根據應用環境選配主體外框架,不銹鋼/碳鋼可選,支持定制。
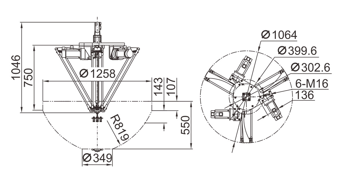
型號 | JW-D1100 |
識別代號 | D1100-1-1 |
結構類型 | DELTA ( 四軸并聯 ) |
重復精度 | ±0.1mm |
工作范圍 | φ1100mm |
最大速度 | 150 P/M |
最大負載 | 3000g |
電源要求 | 220V/4000W/50/60Hz/20A |
包裝尺寸(mm) | 12000(L)x1100(W)x610(H) |
包裝重量 | 110kg |



