
適合于中藥飲片、茶葉、種子、味精、雞精、咖啡豆、巧克力豆等小顆粒,小計量類高精度的定量稱重。

1. 采用高精度分辨率的特制傳感器。
2. 出廠參數設置恢復功能,支持多段重量標定。
3. 缺料時可自動暫停,使稱量更加穩定。
4. 運行中各線振幅可獨立調節,使加料更加均勻。
5. 多種語言可供選用,操作方便,適用于全球市場。
6. 存貯100套參數設置,實現多種物料需求,幫助菜單,方便學習使用。
1. 超小0.5L料斗,采用超低振動設計,運行更平穩,稱重精度更高。
2. 稱重式物料檢測,準確控制加料時間,物料厚度,保證稱重精度。
3. 特制V型線振盤,小重量稱重設計,保證加料均勻及稱重精度。
4. 整體式機箱和中座增強了機器的強度,使得料斗穩定時間更短。
5. 圓弧機箱大R的工藝處理,四邊封口設計,整體牢固又美觀。
6. 新型雙平行線振機振動更小,側驅式鋁盒讀數更準確,稱重精度更高。
型號 | JW-A10 | JW-A14 |
識別代號 | AS10-1-1 | AS14-1-1 |
稱重范圍 | 2-200g | 2-200g |
稱重精度范圍 | X(0.5) | X(0.5) |
最大稱重速度 | 60P/M | 120P/M |
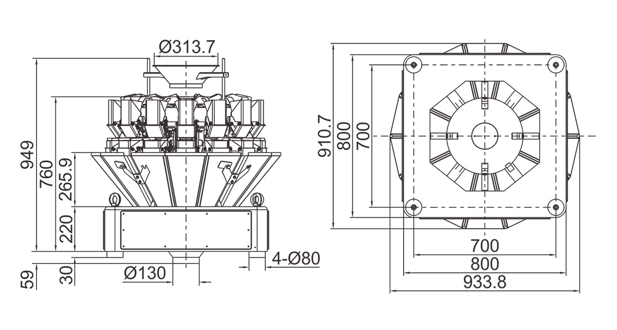
料斗容量 | 0.5L | |
操作界面 | 7寸觸摸屏 | |
選購裝置 | 花紋秤斗/集料斗/數據打印裝置/超重選別裝置 | |
驅動方式 | 步進電機 | |
電源要求 | 220V/900W/50/60Hz/8A | 220V/1100W/50/60Hz/10A |
包裝尺寸(mm) | 1190(L)x970(W)x950(H) | 1190(L)x970(W)x950(H) |
包裝重量 | 220kg | 240kg |



