
適合糖果、瓜子、果凍、寵物食品、膨化食品、開心果、花生、果仁、杏仁、葡萄干等休閑食品、大殼堅果、五金件、塑料膠粒等各種顆粒狀、片狀、條狀、圓狀及不規則形狀等物料的定量稱重。

1. 采用高精度的特制傳感器。
2. 出廠參數設置恢復功能,支持多段重量標定。
3. 缺料時可自動暫停,使稱量更加穩定。
4. 運行中各線振幅可獨立調節,使加料更加均勻。
5. 多種語言可供選用,操作方便,適用于全球市場。
6. 存貯100套參數設置,實現多種物料需求,幫助菜單,方便學習使用。
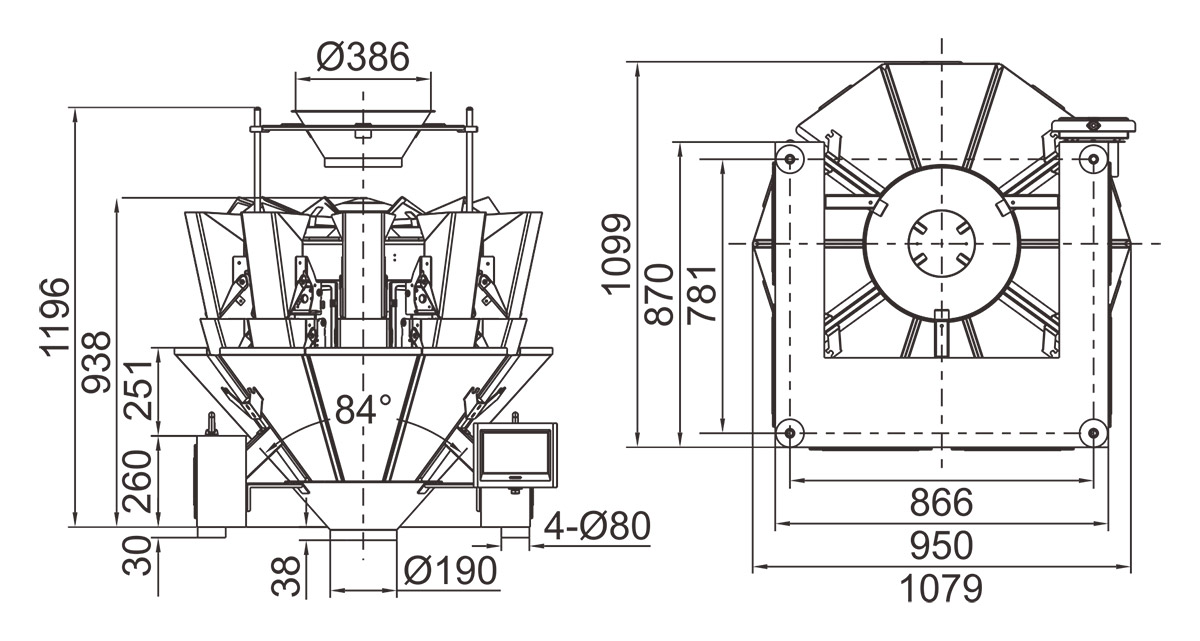
1. 1.6L/2.5L料斗,適合各種常見標準物料,適應范圍廣。
2. 統一的設計標準,采用模具制作工藝,各個零部件的互換性更強。
3. 加厚鐵機箱和整體鐵中座增強了機器的強度,稱量的穩定時間更短。
4. 適合環境干燥、物料干燥的生產環境,性價比高經濟實惠。
5. 可選稱重式物料檢測,準確控制加料時間,物料厚度,保證稱重精度。
型號 | JW-A10 | JW-A14 |
識別代號 | A10-1-1T | A14-1-1T |
稱重范圍 | 10-1000g | 10-1500g |
稱重精度范圍 | X(0.5) | X(0.5) |
最大稱重速度 | 65P/M | 120P/M |
料斗容量 | 1.6/2.5L | |
操作界面 | 7寸觸摸屏 | |
選購裝置 | 花紋秤斗/集料斗/數據打印裝置/超重選別裝置 | |
驅動方式 | 步進電機 | |
電源要求 | 220V/1000W/50/60HZ/10A | 220V/1500W/50/60HZ/10A |
包裝尺寸(mm) | 1620(L)X1100(W)X1110(H) | 1700(L)X1100(W)X1265(H) |
包裝裝置 | 380kg | 490kg |



