
適合中藥飲片、茶葉、咖啡豆、巧克力豆、葡萄干等休閑食品、五金件、塑料膠粒等顆粒物料的定量稱重。

1. 采用高標準的特制傳感器。
2. 出廠參數設置恢復功能,支持多段重量標定。
3. 運行中各線振幅可獨立調節,使加料更加均勻。
4. 多種語言可供選用,操作方便,適用于全球市場。
5. 存貯100套參數設置,實現多種物料需求,幫助菜單,方便學習使用。
1. 新Ⅱ型機箱設計,美觀大方。
2. 易拆式上下料盤設計,清洗更方便。
3. 可選配件豐富,滿足各種需求。
4. 統一的設計標準,采用模具制作工藝,使各個零部件的互換性更強。
5. 另有鐵機箱可選。
名稱 | 一代鐵10頭Ⅱ標準組合秤 | 一代鐵14頭Ⅱ標準組合秤 | 一代10頭Ⅱ標準組合秤 | 一代14頭Ⅱ標準組合秤 |
型號 | JW-A10 | JW-A14 | JW-A10 | JW-A14 |
識別代號 | A10-1-17T | A14-1-17T | A10-1-17 | A14-1-17 |
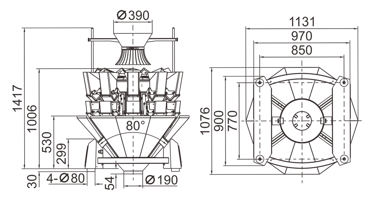
稱重范圍 | 10-1000g | 10-1500g | 10-1000g | 10-1500g |
稱重精度范圍 | X(0.5) | X(0.5) | X(0.5) | X(0.5) |
最大稱重速度 | 65P/M | 120P/M | 65P/M | 120P/M |
料斗容量 | 1.6/2.5L | |||
操作界面 | 7寸觸摸屏 | |||
選購裝置 | 花紋秤斗/集料斗/數據打印裝置/超重選別裝置 | |||
驅動方式 | 步進電機 | |||
電源要求 | 220V/1000W/ 50/60Hz/8A | 220V/1200W/50/60Hz/10A | 220V/1000W/50/60Hz/8A | 220V/1200W/50/60Hz/10A |
包裝尺寸(mm) | 1770(L)x1100(W)x1190(H) | 1770(L)x1100(W)x1190(H) | 1770(L)x1100(W)x1190(H) | 1770(L)x1100(W)x1190(H) |
包裝重量 | 370kg | 470kg | 370kg | 470kg |



