
適合中藥飲片、茶葉、咖啡豆、巧克力豆、葡萄干等休閑食品、五金件、塑料膠粒等顆粒物料,蔬菜沙拉、水果沙拉、土豆,洋蔥,西紅柿,圣女果等蔬菜或水果等物料的大目標重量或大容量定量稱重。

1. 采用高精度的特制傳感器。
2. 出廠參數設置恢復功能,支持多段重量標定。
3. 運行中各線振幅可獨立調節,使加料更加均勻。
4. 多種語言可供選用,操作方便,適用于全球市場。
5. 存貯100套參數設置,實現多種物料需求,幫助菜單,方便學習使用。
1. 新Ⅱ型機箱設計,美觀大方。
2. 易拆式上下料盤設計,清洗更方便。
3. 可調整轉速主振機增加了物料的通用性。
4. 加大振幅線振機增強了物料的流動性。
5. 下傾式專用線振盤保證加料順暢。
6. 60°夾角小花紋斜槽有利于物料的下落、有效控制粘料現象。
名稱 | 一代10頭Ⅱ沙拉加大型組合秤 | 一代14頭Ⅱ沙拉加大型組合秤 |
型號 | JW-AM10 | JW-AM14 |
識別代號 | AM10-1-19 | AM14-1-19 |
稱重范圍 | 100-3000g | 100-3000g |
稱重精度范圍 | X(1) | X(1) |
最大稱重速度 | 50P/M | 80P/M |
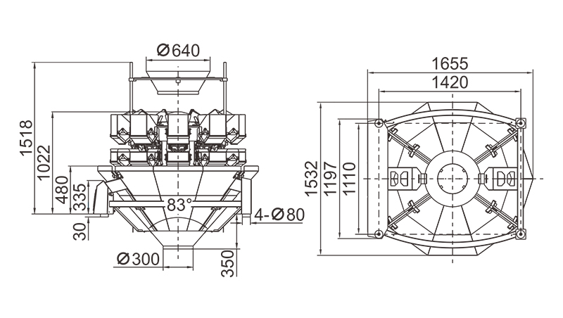
料斗容量 | 5L | |
操作界面 | 7寸觸摸屏 | |
選購裝置 | 集料斗/數據打印裝置/超重選別裝置 | |
驅動方式 | 步進電機 | |
電源要求 | 220V/1500W/50/60Hz/10A | 220V/1500W/50/60Hz/12A |
包裝尺寸(mm) | 1910(L)x1280(W)x1500(H) | 2195(L)x1380(W)x1500(H) |
包裝重量 | 680kg | 850kg |



